

— 自主產品 —
咨詢電話 15301310116 手機:15301310116
微信:15301310116
郵箱:sales@madison-tech.com
地址:北京市海淀區中關村軟件園11號樓一層
SHV同軸饋通連接器及線纜大致可分為真空端和大氣端兩部分,真空端線纜可選具有50Ω阻抗匹配。
產品詳情
SHV同軸饋通連接器及線纜大致可分為真空端和大氣端兩部分。其中不同型號的單端饋通(即SHV/SHVE/SHV50)對應的真空端連接器及真空線纜有所不同,且真空端可以使用特殊的SHV連接器。SHVD雙端饋通的真空端連接器與大氣端連接器外形相同。饋通真空端線纜可選具有50Ω阻抗匹配,用以提高信號傳輸質量。所有線纜長度均可定制。
產品參數
SHV連接器規格參數 | |
外殼材質 | 單端SHV接地線型真空端連接器:不銹鋼 |
絕緣材質 | 雙端SHVD真空端連接器:PTFE / Viton |
觸點材質 | 單端SHV接地線型真空端連接器:鍍金銅合金 |
推薦真空線纜 | MT165-PTFE50同軸線 |
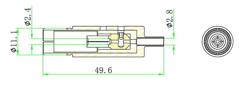
產品尺寸

【備注】其他單端連接器尺寸可能會根據饋通進行一定修改。
SHV連接器型號 | |
類型 | 型號 |
SHVD真空端連接器 | MT145-CON-SHV-VAC |
SHV真空端連接器 | MT145-CON-SSHV-VAC |
SHVE真空端連接器 | MT145-CON-SSHVE-VAC |
SHV50真空端連接器 | MT145-CON-SSHV50-VAC |
SHV系列大氣端連接器 | MT145-CON-SHV-AIR |
| SHV真空端連接器+MT165-PTFE50同軸線纜型號 | ||||
線纜兩端 連接器數量 | 長度 | 單端SHV真空端連接器+線纜型號 | 單端SHVE真空端連接器+線纜型號 | 雙端SHVD真空端連接器+線纜型號 |
| 1 | 500 mm | MT145-SSHV-FX-PTFE50-500-VAC | MT145-SSHVE-FX-PTFE50-500-VAC | MT145-SHV-FX-PTFE50-500-VAC |
| 1 | 1000 mm | MT145-SSHV-FX-PTFE50-1000-VAC | MT145-SSHVE-FX-PTFE50-1000-VAC | MT145-SHV-FX-PTFE50-1000-VAC |
| 2 | 500 mm | MT145-SSHV-FF-PTFE50-500-VAC | MT145-SSHVE-FF-PTFE50-500-VAC | MT145-SHV-FF-PTFE50-500-VAC |
| 2 | 1000 mm | MT145-SSHV-FF-PTFE50-1000-VAC | MT145-SSHVE-FF-PTFE50-1000-VAC | MT145-SHV-FF-PTFE50-1000-VAC |
| SHV真空端連接器+MT165-KAP50同軸線纜型號 | ||||
線纜兩端 連接器數量 | 長度 | 單端SHV真空端連接器+線纜型號 | 單端SHVE真空端連接器+線纜型號 | 雙端SHVD真空端連接器+線纜型號 |
| 1 | 500 mm | MT145-SSHV-FX-KAP50-500-VAC | MT145-SSHVE-FX-KAP50-500-VAC | MT145-SHV-FX-KAP50-500-VAC |
| 1 | 1000 mm | MT145-SSHV-FX-KAP50-1000-VAC | MT145-SSHVE-FX-KAP50-1000-VAC | MT145-SHV-FX-KAP50-1000-VAC |
| 2 | 500 mm | MT145-SSHV-FF-KAP50-500-VAC | MT145-SSHVE-FF-KAP50-500-VAC | MT145-SHV-FF-KAP50-500-VAC |
| 2 | 1000 mm | MT145-SSHV-FF-KAP50-1000-VAC | MT145-SSHVE-FF-KAP50-1000-VAC | MT145-SHV-FF-KAP50-1000-VAC |
| SHV大氣端連接器+線纜型號 | ||
| 線纜兩端連接器數量 | 長度 | 大氣端連接器+線纜型號 |
| 1 | 500 mm | MT145-SHV-FX-500-AIR |
| 1 | 1000 mm | MT145-SHV-FX-1000-AIR |
| 2 | 500 mm | MT145-SHV-FF-500-AIR |
| 2 | 1000 mm | MT145-SHV-FF-1000-AIR |
【備注】
1. 線纜長度均可定制。
2. 單端SHV, SHVE, SHV50的真空接地型接頭是不一樣的。分別是MT145-CON-SSHV-VAC, MT145-CON-SSHVE-VAC, MT145-CON-SSHV50-VAC。
3. 對于單端SHV系列饋通,對應的線纜型號需要明確真空接地型接頭型號:SSHV, SSHVE, SSHV50。